One of the leading manufacturer in China for the accessory of measuring instrument.

F0201002

Product NO.:

F0201002

ModelNO.:

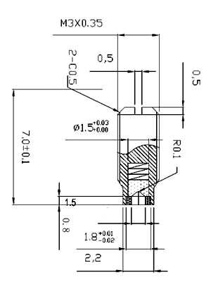
Jewel Screw --- M3*7

Description